
技術天地
三級承試設備SFFZ-V 避雷器放電計數器效驗儀(交直流)說明書
發布日期:2020-05-27 點擊:1289次

三級承試設備SFFZ-V 避雷器放電計數器效驗儀(交直流)說明書
避雷器是電網中保護電力設備免受過電壓危害的重要電器設備,其本身運行狀況的好壞將直接影響到電力系統的安全。通常通過避雷器監測器監測避雷器的動作及泄漏電流,由于密封不良, 監測器在運行中可能進入水分或潮氣,使內部元件銹蝕,或其他原因造成監測器計數器不能正常動作,泄漏電流指示不準。所以《〈規程〉》規定,應每年對避雷器監測器檢查 1 次。
計數器動作的可靠性對于電力系統非常重要,它是記錄避雷器在正常運行中受到雷擊次數統計的一個重要參數。它能為電力系統的工作人員提供有針對性對避雷器進行檢驗的重要依據。
一、原理
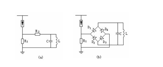
圖1所示為JS型動作記數器的原理接線圖。圖1(a)為JS型動作記數器的基本結構,即所謂的雙閥片式結構。

圖1 JS型動作記數器的原理接線
(a)JS型; (b)JS-8型
R1、R2-非線形電阻;C-貯能電容器
L-記數器線圈; D1~4一硅二極管
當避雷器動作時,放電電流流過閥片R1,在R1上的壓降經閥片R2給電容器C充電,然后C再對電磁式記數器的電感線圈L放電,使其轉動1格,記1次數。改變R1及R2的阻值,可使記數器具有不同的靈敏度。一般最小動作電流為100A(8/20μs)的沖擊電流。因R1上有一定的壓降,將使避雷器的殘壓有所增加,故它主要用于40kV以上的高壓避雷器。
圖1(b)表示 JS-8型動作記數器的結構,系整流式結構。避雷器動作時,高溫閥片R1上的壓降經全波整流給電容器C充電,然后C再對電磁式記數器的L放電,使其記數。該記數器的閥片R1的阻值較小(在10kA時的壓降為1.1kV),通流容量較大(1200A方波),最小動作電流也為100A(8/20s)的沖擊電流。JS-8型記數器可用于6.0~330kV系統的避雷器,JS-8A型記數器可用于500kV系統的避雷器。