
技術天地
20kV干式變壓器預防性試驗
發布日期:2021-02-27 點擊:3410次
干式變壓器
依據《電力設備預防性試驗規程》(DL/T 596—1996),干式變壓器預防性試驗的項目主要有:
(1)測量繞組的直流電阻。
(2)測量繞組、鐵芯、夾件、穿心螺桿等的絕緣電阻以及繞組的吸收比或(和)極化指數。
(3) 交流耐壓試驗。
1.1 測量繞組的直流電阻
1.1.1 測量目的
測量變壓器繞組直流電阻是一個很重要的試驗項目,測量變壓器繞組直流電阻的目的是:
(1)檢查繞組焊接質量;
(2)檢查分接開關各個位置接觸是否良好;
(3)檢查繞組或引出線有無折斷處;
(4)檢查并聯支路的正確性,是否存在由幾條并聯導線繞成的繞組發生一處或幾處斷線的情況;
(5)檢查層、匝間有無短路的現象。
1.1.2 測量方法
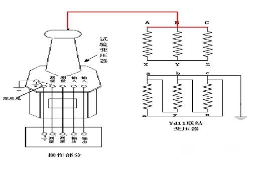
因干式變壓器容量往往不大,可直接測量其繞組的直流電阻,應分相進行測量,且高壓側和低壓側分開測量。以測量A相繞組直阻為例:測量高壓側時,把A相高壓側繞組A、X兩端通過專用電纜與儀器的測試接線柱連接,測試電纜的大插片連接電流端,小插片連接電壓端;測量低壓側時,將cx連接斷開,具體接線如下:
圖2.1 測量繞組直阻RAX和Rac接線圖
1.1.3 判據
根據《規程》規定,變壓器繞組直流電阻測量結果的判據如下:
(1)1.6MVA以上變壓器各相繞組直流電阻相互間的差別不應大于三相平均值的2%,無中性點引出的繞組,線間差別不應大于三相平均值的1%;
(2)與以前相同部位測得值比較,其變化不應大于2%。
不同溫度下的電阻值應按下式換算
R2=R1(T+t2)/(T+t1)
式中 R1、R2——在溫度t1、t2時的電阻值;
T——計算用常數,銅導線取235,鋁導線取225。
備注:接地變壓器還應測試其二次電阻,各檔位測試值應與其額定值、歷史值相比較,其變化不應大于2%。
1.2 測量絕緣電阻及吸收比和極化指數
1.2.1 測量的有效性
測量繞組絕緣電阻及吸收比或極化指數,對檢查變壓器整體的絕緣狀況具有較高的靈敏度,能有效的檢查出變壓器絕緣整體受潮、部件表面受潮或臟污以及貫穿性的集中缺陷。例如,各種貫穿性短路、瓷件破裂、引線接殼、器身內有銅線搭橋等現象引起的半貫通性或金屬性短路等。
測量鐵芯、夾件、穿心螺桿等部件的絕緣電阻能更有效地檢出相應部件絕緣的缺陷或故障,這主要是因為這些部件的絕緣結構比較簡單,絕緣介質單一,正常情況下基本不承受電壓,其絕緣更多的是起“隔電”作用,而不像繞組絕緣那樣承受高電壓。
1.2.2 測量方法
測量繞組絕緣電阻時,采用2500V兆歐表,并依次測量各繞組對地和其他繞組間絕緣電阻值。被測繞組各引線端子應短接并接測試線,其余各非被試繞組都短路接地。測量的順序和具體部位如表2.1所示。
1.2.3 綜合判斷
《規程》規定,絕緣電阻換算至同一溫度下,與前一次測試結果相比應無明顯變化,一般干式變壓器繞組的高壓側不低于300 MΩ,低壓側不低于100 MΩ;鐵芯和夾件的絕緣電阻值不應低于2MΩ。
吸收比(10~30℃范圍)不低于1.3或極化指數不低于1.5;當絕緣電阻大于10GΩ時,可不考慮吸收比或極化指數。
1.3 交流耐壓試驗
1.3.1 測量的有效性
交流耐壓試驗是鑒定絕緣強度最有效的方法,特別是對考核主絕緣的局部缺陷,如繞組主絕緣受潮、開裂或者在運輸過程中引起的繞組松動、引線距離不夠以及繞組絕緣上附著污物等,具有決定性作用。
1.3.2 測量方法與試驗電壓
干式變壓器交流耐壓應按預防性試驗中三相同時加壓的步驟進行,外施工頻耐壓前后需進行絕緣電阻的測量。進行交流耐壓時,被試變壓器的正確連接方式是被試繞組所有套管應短路連接并接高壓,其余各非被試繞組也要短接并可靠接地。高壓側外施工頻耐壓接線如圖2.2所示,低壓側按照高壓側工頻耐壓步驟進行。
1.3.3 綜合判斷
被試設備經交流耐壓試驗,在規定時間內不發生擊穿為合格。儀表指示跳動,過流繼電器整定值適當時,試品擊穿時繼電器會動作;若設備發出聲響、冒煙、焦臭、燃燒等,則試品可能擊穿。
湖北四方國瑞電力,專業高壓試驗設備制造商!